西门子ET200SP系列产品是绝对的抢手货。ET200SP系列涵盖CPU、接口模块、通讯模块、普通I/O模块、F型I/O模块、工艺模块和电源,不仅功能强大,还完全可以自成控制体系。下面就把ET200SPI/O模块接线图汇总一下,大家可以参考看看~
一、开关量输入模块(1)DI4x120..230VACST(6ES7131-6FD01-0BB1)


(2)DI8x24VAC/48VUCBA(6ES7131-6CF00-0AU0)

(3)DI8x24VDCBA(6ES7131-6BF01-0AA0)


(4)DI8x24VDCHF(6ES7131-6BF00-0CA0)


(5)DI8x24VDCHS(6ES7131-6BF00-0DA0)


(6)DI8x24VDCSRCBA(6ES7131-6BF61-0AA0)


(7)DI8x24VDCST(6ES7131-6BF01-0BA0)


(8)DI8xNAMURHF(6ES7131-6TF00-0CA0)


(9)DI16x24VDCST(6ES7131-6BH01-0BA0)

(1)RQ4x24VUC/2ACOST(6ES7132-6GD51-0BA0)

(2)RQ3x120VDC-230VAC/5ACOST(6ES7132-6HC50-0BU0)

(3)RQ3x120VDC-230VAC/5

(4)DQ4x24VDC/2AHF(6ES7132-6BF20-0CA0)


(5)DQ4x24VDC/2AHS(6ES7132-6BD20-0DA0)


(6)DQ4x24VDC/2AST(6ES7132-6BD20-0BA0)


(7)DQ4x24..230VAC/2AHF(6ES7132-6FD00-0CU0)

(8)DQ4x24..230VAC/2AST(6ES7132-6FD00-0BB1)

(9)RQ4x120VDC-230VAC/5ANOMAST(6ES7132-6MD00-0BB1)


(10)RQ4x120VDC-230VAC/5ANOST(6ES7132-6HD01-0BB1)


(11)DQ8x24VDC/0.5ABA(6ES7132-6BF01-0AA0)


(12)DQ8x24VDC/0.5AHF(6ES7132-6BF00-0CA0)


(13)DQ8x24VDC/0.5ASNKBA(6ES7132-6BF61-0AA0)

(14)DQ8x24VDC/0.5AST(6ES7132-6BF01-0BA0)


(15)DQ16x24VDC/0.5ABA(6ES7132-6BH00-0AA0)


(16)DQ16x24VDC/0.5AST(6ES7132-6BH01-0BA0)

(1)AI2xI2/4-wireST(6ES7134-6GB00-0BA1)


(2)AI2xSG4/6-wireHS(7MH4134-6LB00-0DA0)

(3)AI2xUST(6ES7134-6FB00-0BA1)

(4)AI2xU/I2-/4-wireHF(6ES7134-6HB00-0CA1)



(5)AI2xU/I2-/4-wireHS(6ES7134-6HB00-0DA1)


(6)AI4xI2-wire4…20mAHART

(7)AI4xI2/4-wireST(6ES7134-6GD01-0BA1)

(8)AI4xRTD/TC2-/3-/4-wireHF(6ES7134-6JD00-0CA1)


(9)AI4xTCHS(6ES7134-6JD00-0DA1)

(10)AI4xU/I2-wireST(6ES7134-6HD01-0BA1)

(11)AI8xI2-/4-wireBA(6ES7134-6GF00-0AA1)


(12)AI8xRTD/TC2-wireHF(6ES7134-6JF00-0CA1)

(13)AI8xUBA(6ES7134-6FF00-0AA1)

(14)AIEnergyMeter400VACST(6ES7134-6PA01-0BD0)


(15)AIEnergyMeter480VACST(6ES7134-6PA20-0BD0)

(16)AIEnergyMeter480VAC/CTHF(6ES7134-6PA00-0CU0)

(17)AIEnergyMeter480VAC/RCHF(6ES7134-6PA20-0CU0)

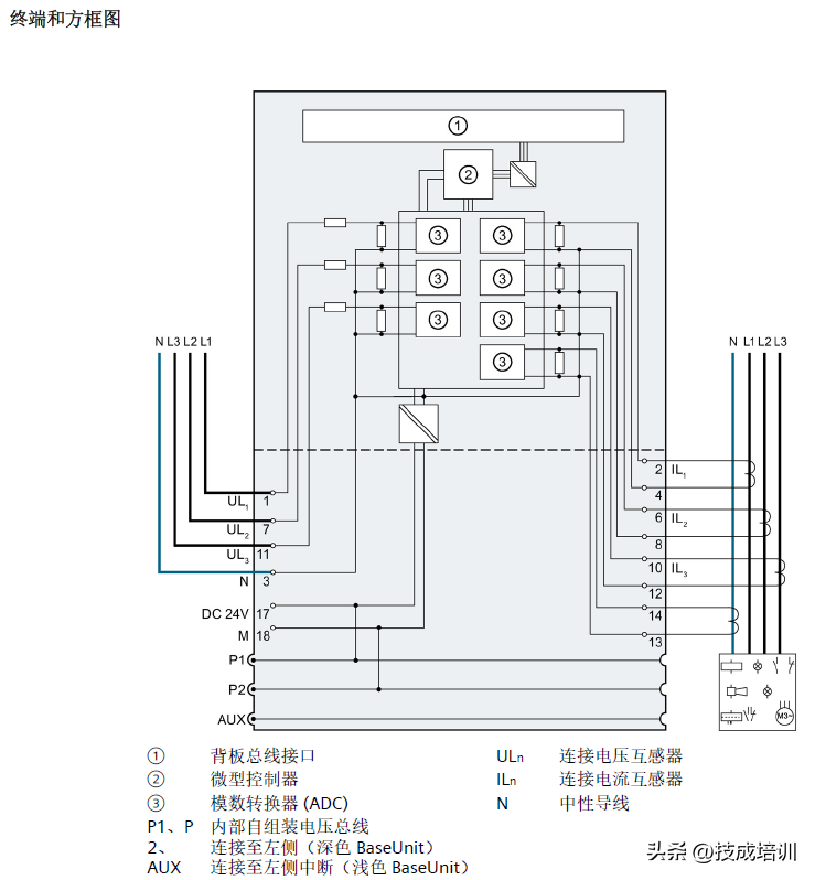
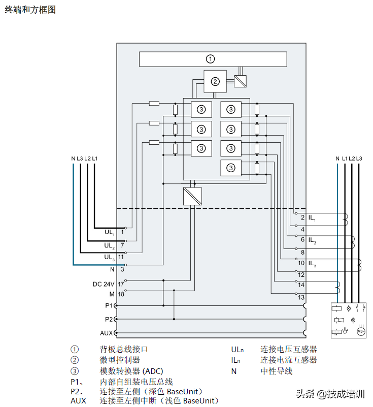
(18)AIEnergyMeterCTHF(6ES7134-6PA01-0CU0)

(19)AIEnergyMeterRCHF(6ES7134-6PA21-0CU0)

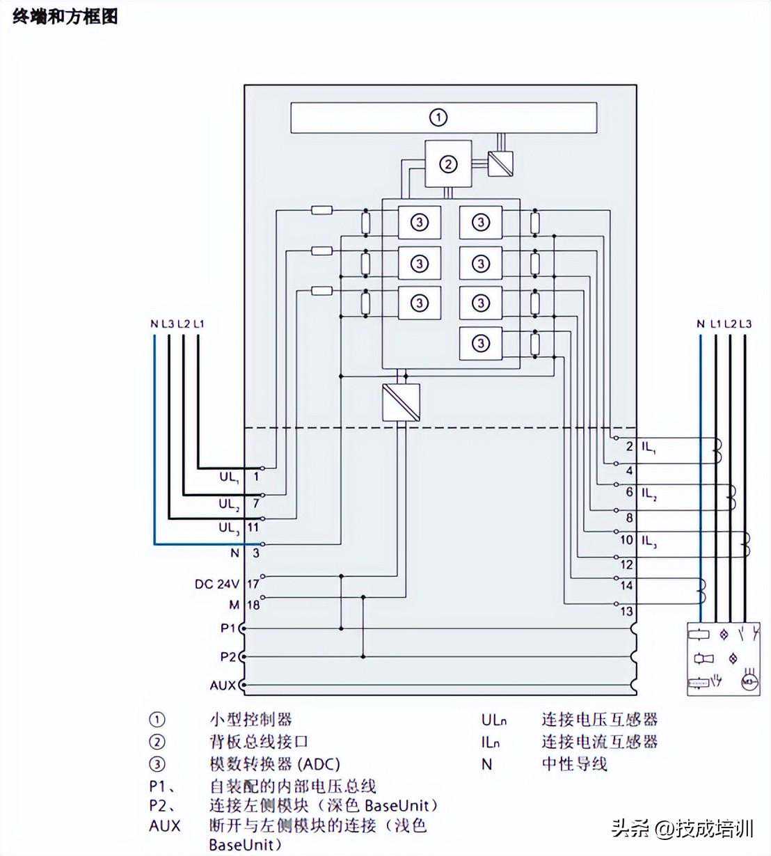
(20)AIEnergyMeterCTST(6ES7134-6PA01-0BU0)

(21)AIEnergyMeterRCST(6ES7134-6PA21-0BU0)

(1)AQ2xIST(6ES7135-6GB00-0BA1)

(2)AQ2xUST(6ES7135-6FB00-0BA1)

(3)AQ2xU/IHS(6ES7135-6HB00-0CA1)

(4)AQ2xU/IHS(6ES7135-6HB00-0DA1)
(5)AQ4xU/IST(6ES7135-6HD00-0BA1)
(6)AQ4xIHARTHF(6ES7135-6TD00-0CA1)