ZW3225型车式万向摇臂钻床电路运行原理讲解

ZW3225型车式万向摇臂钻床用途广泛,可在任何角度位置对工件进行钻孔、扩孔、较孔、.孔和攻螺纹等加工,特别适用于大型机器及船舶的制造和装配,以及修配车间对特殊孔的加工,具有结构精巧、机动性强、操作方便等特点。

我们先看到的这部分是冷却泵和他的控制电路部分。

然后是照明电路部分。

指示灯部分,KA2运行HL2亮起,KA1运行HL3亮起,KA1、KA2任意运行,HL1灯灭。

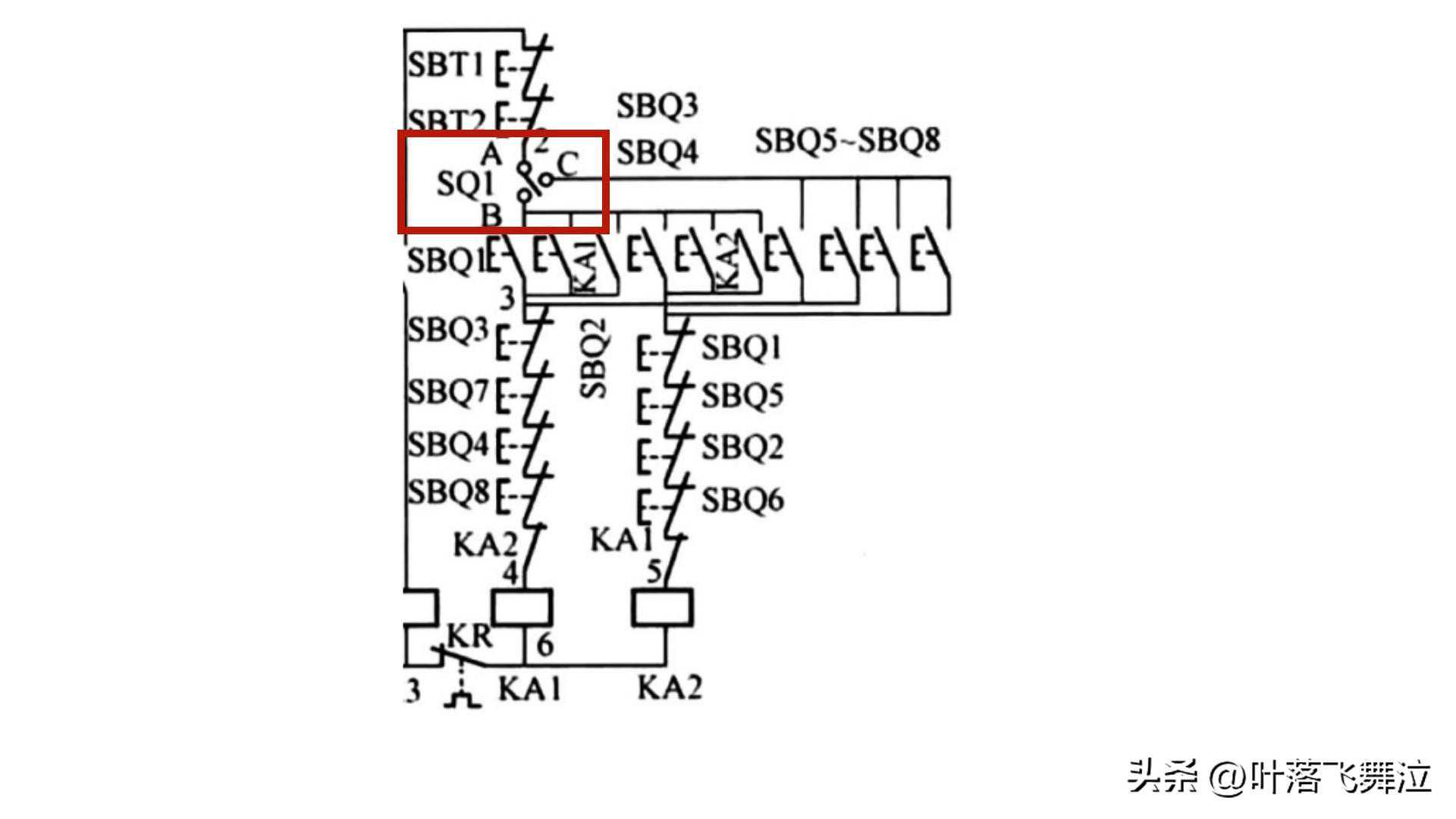
最后我们看看这密密麻麻的一坨是什么。

有KA1和KA2的线序我们不难发现这是个正反转电路。


这密密麻麻的控制的电路我们需要仔细看看。

正反转继电器线圈。

两个停止按钮。



这个是转换开关。

和什么转换呢,当然是自锁和点动转换了。到这里我不难发现每条线路都是双按钮,说明这个电路可以两地操作。

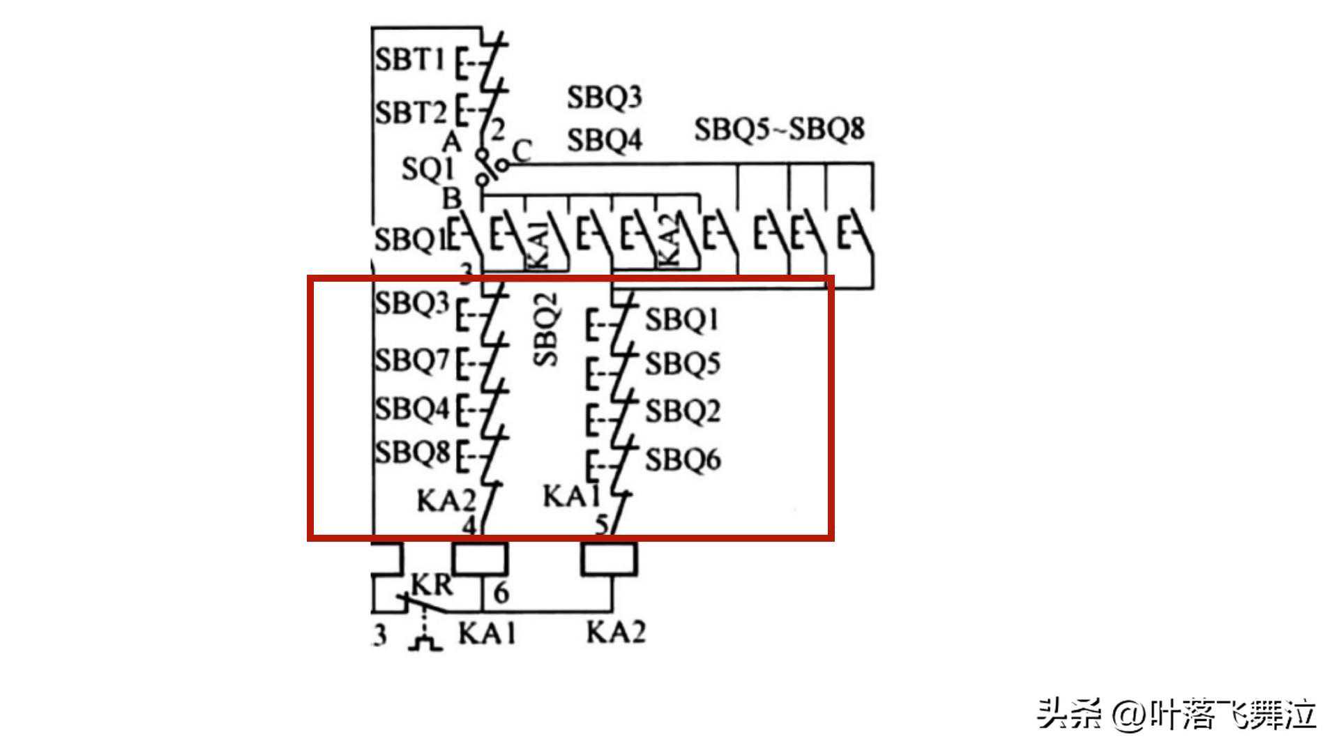
然后是这一堆是个啥玩意。


他们分别是两地启动的自锁与点动按钮的互锁开关。