我们在炮塔铣床服务中,经常会接触到许多客户和维修服务人员,在维修过程中无法判断炮塔铣床的各个零部件名称,无法和厂家配件部门沟通,今天我们将完整全面的炮塔铣床零部件的各个部分给予分解,并按图文编号给予标注,分享给大家,希望能给有所帮助,详情如下:
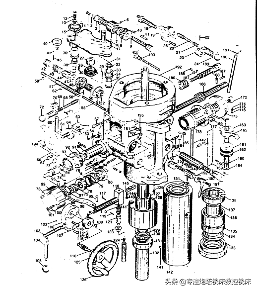
零件明细表铣床零件分解图(A部分)

零件明细表铣床零件分解图(A部分)
零件明细表铣床零件分解图(A部分)

零件明细表铣床零件分解图(A部分)
零件明细表铣床零件分解图(B部分)

零件明细表铣床零件分解图(B部分)
零件明细表铣床零件分解图(B部分)

零件明细表铣床零件分解图(B部分)

零件明细表铣床零件分解图(B部分)
零件明细表铣床零件分解图(C部分)

零件明细表铣床零件分解图(C部分)
零件明细表铣床零件分解图(C部分)

零件明细表铣床零件分解图(C部分)
零件明细表铣床零件分解图(D部分)

零件明细表铣床零件分解图(D部分)
零件明细表铣床零件分解图(D部分)
