M131W型万能外圆磨床

M131W型万能外圆磨床是在M131型外圆磨床基础上设计的一种改进型磨床,广泛应用于磨削内圆、外圆柱或圆锥形回转体工件,宜于单件、小批量生产车间使用。

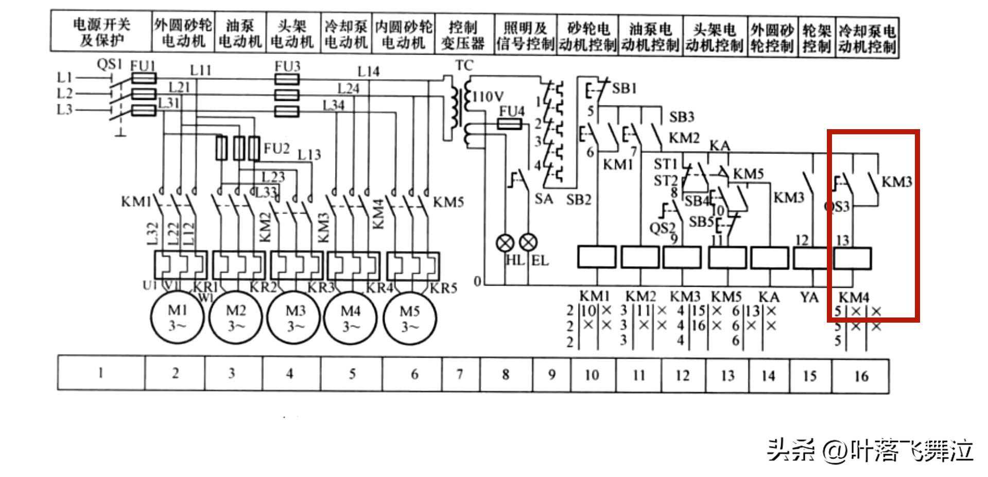
电机部分,外圆砂轮、油泵、头架电机、冷却泵、内圆砂轮。
保护电机的热继电器和热继电器的串联常闭触点。
电路中的熔断器。
车床的照明和指示灯电路。
外圆砂轮的控制电路,这里是自锁电路。
油泵的控制电路,这里也是自锁电路。
后续这部分电路,需要油泵电路先得电才能启动。
ST1、ST2是头架电机的限位开关。
当限位开关被压合时,中间继电器KA被接通,为内圆砂轮通电做准备。
YA是电磁铁线圈。
冷却泵的控制电路,此处也是自锁电路。